日本过冷水动态制冰研究开发现状
Research and development status in dynamic freezing of supercooled water in Japan | ||||||||||||||||
提要 综述了在过冷水动态制冰领域处于世界先进水平的日本的有关研究开发现状,包括过冷度影响因素,动态制冰系统的三个组成部分--过冷却器、过冷解除装置、蓄冰槽的设计形式和特点,以及系统的运行控制。 关键词 综述 过冷水 动态制冰 日本 Abstract Reviews the state-of-arts in Japan, one of the leading countries in this field, including factors influencing the degree of supercooling, the components of the dynamic freezing system i.e. the supercooler, the supercooling-destroying device and the storage tank, and operation control. Keywords review, supercooled water, dynamic freezing, Japan | ||||||||||||||||
随着冰蓄冷技术的,出现了各种各样的制冰方式。这些制冰方式可以分为两类,一类是水与冷媒直接热交换方式,一类是水与冷媒间接热交换方式。后一类又包括静态制冰和动态制冰两种,动态制冰使用的制冰介质包括过冷水和水溶液。表1比较了各种制冰方式的主要优缺点。
1 过冷式过冷度影响因素的研究 | ||||||||||||||||
图2~图8是几种比较典型的过冷却器的示意图。根据对过冷水过冷度影响因素的研究,为了在过冷却器中得到具有较高过冷度、状态稳定的过冷水,过冷却器的研制开发一般从以下几个方面考虑:
2.1 传热面水侧应具有较高的光洁度。这是作为过冷却器的最基本的要求[21,25-28]。同时,传热面水侧不应设肋片,管子连接部分应尽可能光滑[21,25-26]或者将管子连接部分置于传热部之外[21](如图2[21]所示,图2中的放大部分是管子光滑连接的方式),甚至对管子的连接部分进行加热[26]。

图2 过冷却器1
2.2 传热面上应具有较高的水流速度。一般通过在截面上产生回旋流来实现。
图3[20]所示的过冷却器中,在水容器中设置搅拌叶轮,在搅拌叶轮的搅拌下,传热面上水流速度能够保持在0.1m/s以上。[20]同时指出,当使用盘管式过冷却器时,可通过加大湍流度来保证传热面的水流速不低于0.1m/s。与图3类似的装置在文献[23]中也可以见到,但文献[23]同时指出,当搅拌叶轮高速旋转时,会解除过冷状态。

图3 过冷却器2
图4所示的过冷却器中,由于离心力的作用,盘管的截面上形成回旋流(如图4b所示),使得传热面上具有较高的水流速度。

图4 过冷却器3
2.3 水流应具有比较规则和定常的流型。
过冷水管形状应比较规则,不能有急弯或突扩、突缩。
上述过冷水管不同管段之间的光滑连接也是为了避免滞流、偏流等局部涡流区域的产生,保证水流具有规则和定常的流型。
在各种不同形状、结构的过冷却器中,要采取不同的具体措施来保证水流的流型。
图5[24]所示的过冷却器中,1为过冷水管,2为冷媒容器。水容器3上部设溢流口,使其中水位保持一定。水由下部的入水口进入水容器,入水口的位置低于水管的端部,可以避免水入口处产生的涡旋影响管1内的水流。水管1的入口部设整流板(图中未示出)。通过以上三项措施来保证过冷水管1中的水流具有规则和定常的流型。

图5 过冷却器4
文献[22]中也要求水流在进入换热部之前进行整流。
2.4 当过冷却器中的水管不只一根时,要尽量保证各水管与冷媒的换热情况基本相同,对于同一根水管,要尽量保证其各部位与冷媒的换热情况基本相同,避免局部温度过低。
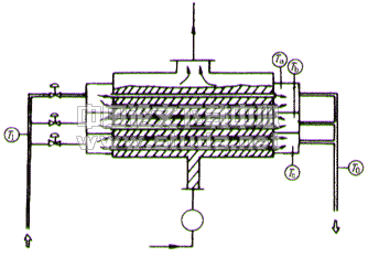
图6[27]中用满液式蒸发器作为过冷却器,为了避免因满液式蒸发器上下部蒸发温度和热交换系数的不同而造成各水管中水温不同,水管被分成三组,各组的水流量可单独调节,通过水流量的调节来补偿蒸发温度和热交换系数的差异。

图6 过冷却器5
图7[29]中使用管壳式换热器作为过冷却器,考虑到在分隔板的缺口处(图中3)的换热管与中心部的换热管与冷媒之间的换热情况差别较大,在分隔板的缺口部不安装换热管。

图7 过冷却器6
图8[28]所示的过冷却器中,冷媒由上部喷淋而下,与水管进行热交换。但由于从喷嘴1喷出的冷媒在靠近喷嘴处尚未形成均匀的流场,不能与水管进行均匀的热交换,考虑可能会因此造成水管中局部温度过低,因而在靠近喷嘴处设置模拟管2(与水管外形相同,但其中不通过冷水),冷媒流体经过两排模拟管,逐渐形成均匀的流场时,再与水管接触进行热交换。

图8 过冷却器7
另外,也常通过在制冷系统中采用变频控制来保证过冷却器中冷媒温度和流量不至有太大波动[40]。
过冷却器是实现过冷水动态制冰最关键的环节。目前所能实现的最大过冷度为4-6℃,一般为2-3℃。如果希望获得更高的过冷度,仅仅从以上四个方面考虑显然不够,需要有新的突破。
3 过冷却解除装置与蓄冰槽
在过冷水制冰系统中,蓄冰槽常常成为过冷却解除装置的一部分,所以这里将过冷却解除装置与蓄冰槽合在一起介绍。
常用的过冷却解除方法有下面的三种:
3.1 过冷水与挡板或器壁或两部分过冷水之间发生激烈冲击,破坏过冷水的过冷状态。
这种方法装置简单,易于实现,应用较为广泛。这种方法可以分为四种情形:
a. 过冷水与固体表面发生冲击[30-34],如图9、10、11所示;
![]() 图9 过冷解除装置1 | |
![]() 图10 过冷解除装置2 | ![]() 图11 过冷解除装置3 |
b. 过冷水与蓄冰槽水面发生冲击[20,40,52,57],如图12所示;
![]() 图12 过冷解除装置4 | ![]() 图13 过冷解除装置5 |
c. 过冷水从蓄冰槽内部放出,与水发生冲击[38,39],如图13所示;
d. 两股过冷水互相发生冲击[22],如图14所示。
![]() 图14 过冷解除装置6 | ![]() 图15 几种防止冰晶堆积的方法 |
这里有两个重要的问题需要解决,一是要防止冰晶在冲击处长大,生成冰块。冰块在融冰过程中负荷跟随性不好。另一个是要防止冰晶在蓄冰槽某处堆积,不能够在蓄冰槽中均匀分布,降低蓄冰槽的蓄冰率。
对于第一个问题,通常有以下几种解决办法:
(1) 采用两股过冷水相互冲击或者过冷水从蓄冰槽的水的内部放出的方法解除过冷水的过冷状态,这时,冰晶生成后随即被水流带走,不再与过冷水接触,因而不能够继续生长而产生冰块。
(2) 将与过冷水发生冲击的固体表面安装在蓄冰槽水面下面(如图15e[35]所示),在固体表面上生成的冰晶不断被水流带走,不能继续与过冷水接触和生长,避免了冰块的形成。
(3) 在与过冷水发生冲击的固体表面造成一层自上向下流动的水膜(如图15c,d,f[35]所示),在固体表面生成的冰晶不断被流动的水膜带走,不能够继续生长形成冰块。
(4) 使过冷水横向冲击固体表面(如图9、10、11所示),这时冰笋逆向过冷水流方向横向生长,当长大到一定程度时,由于自身重力及过冷水流的冲击作用掉落到蓄冰槽中,避免了大冰块形成。
(5) 当过冷水垂直方向冲击固体表面时将该固体机构设计成不稳定机构[32-34](如图16所示),当冰笋逆向水流方向竖直向上生长到一定高度时,由于重心升高,不稳定机构发生倾斜,冰笋靠自身重力及过冷水流的冲击作用掉落,避免了大冰块的形成。
![]() 图16 不稳定机构 | ![]() 图17 设置回旋机构防止冰晶堆积 |
(6) 当过冷水垂直方向冲击固体表面时,在蓄冰槽中设置一回旋机构[21,36,40](如图17所示),回旋机构旋转时,将在冰笋上生长起来的冰晶不断削落到蓄冰槽中,避免形成大的冰块。
对于第二个问题,通常有下面几种解决办法:
(1) 不断改变从过冷解除装置中流出的冰水混合物流入蓄冰槽的位置(如图11所示),从而使冰晶在蓄冰槽中均匀分布。
(2) 在蓄冰槽中设置特殊机构(如图9中的导板),引导冰晶在蓄冰槽中按一定方向移动。
(3) 在蓄冰槽中造成循环流动的水流,将流入蓄冰槽的冰晶不断带到蓄冰槽的各处。例如在图10中,在冰水混合物落入蓄冰槽处导入水流,从而在蓄冰槽中形成循环水流。
3.2 使超声波通过过冷水流,破坏过冷水的过冷状态[41,24]。
3.3 利用局部超低温(比过冷水温度低很多)来解除过冷水的过冷状态[42,24,43]。局部低温可以通过在蓄冰槽中设置小型制冷装置来获得,也可以通过将制冷系统中的制冷剂分流到蓄冰槽中来获得。
第二、第三种方法可靠性较高,但装置较为复杂。
有时也将上述几种方法结合起来使用[43],确保水的过冷状态完全解除。
在过冷水动态制冰系统中,蓄冰槽除了基本的蓄冰功能和有时兼为过冷却解除装置的一部分外,还应具有冰水分离的功能。由于冰的密度小于水,当蓄冰槽具有足够大的容积,并且其中不受到太大的扰动时,蓄冰槽内生成的冰将浮在水面上,与水分离。为了进一步保证冰水分离,使从蓄冰槽中抽出的水中不含有任何冰晶,通常在蓄冰槽水的抽出处之前装设过滤网[21,30,57]。
但目前过冷解除装置和蓄冰槽还不能保证从蓄冰槽中取出的水完全不过冷或者不含任何冰晶,需要通过系统运行控制来弥补。
过冷状态是水的亚稳状态,现有的技术条件还不能保证其绝对稳定地存在,如果水的过冷状态在过冷却器中被破坏,产生冰晶,冰晶长大后京就会堵塞甚至破坏过冷却器。实际系统中,一方面要防止蓄冰槽的冰晶进入过冷却器,另一方面要实时地检测出过冷却器中是否有冰晶存在,并及时采取措施消除冰晶。
为防止冰晶由蓄冰槽进入过冷却器,除了在蓄冰槽中尽可能使冰水完全分离外,通常在系统中也采取一定的措施。一般的方法是在过冷却器之前在预热换热器中对蓄冰槽中抽出来的水加热,使其温度稍高于0℃,确切保其中不含有冰晶。使用的热源有以下几种形式:
(1) 冷凝器的冷却水[44]。
(2) 空调系统的回水[45]。
(3) 从外部引入的温水[46]。
以上三种方式都可以通过预热器的冷却水流量或温度,或者调节分流通过预热换热器的冷水流量来控制进入过冷却器的冷水的温度。
(4) 从冷凝器出来的液体冷媒[46-47]。这种方式一般以调节分流通过预热换热器的冷水流量来控制进入过冷却器的冷水温度。
检测过冷却器中是否有冰晶产生的方法有下面的几种:
(1) 检测过冷却器中压力降[49]。过冷却器中有冰生成时,流道变窄,流阻增大,压力降增大,因而通过检测过冷却器中的压力降可以判断过冷却器中是否有冰生成。这种方法装置简单,易于实现,应用较为广泛。
(2) 检测管路中液体的光透过率[48,50-51]。过冷却器中有冰生成时,管路中光透过率、超声波透过率、电磁波透过率都将发生变化。
当检测到过冷却器中有冰晶产生时,应停止过冷却器中低温冷媒的供应,并对过冷却器加热,尽快消除冰晶。热源的选取方式与预热换热器相同[37,52-56]。另外由于并非连续运行,有时也使用电加热[37,52,54]。
.系统运行控制技术一方面弥补了过冷却器和过冷解除装置技术的不成熟,另一方面保证系统在运行过程中不受损坏。该技术中需要对从蓄冰槽中取出的水进行加热或加热融化在过冷却器生成的冰,为了减少能量损失,热源的选取要与具体的系统相结合。
图18[46]是一种比较典型的系统运行控制方案。预热换热器的热量由高温液体冷媒提供,以调节通过预热换热器的冷水流量来控制进入过冷却器的冷水的温度。当压力传感器检测到过冷却器中有冰产生时,打开阀1,将压缩机中的高温蒸气直接导入过冷却器,进行融冰。

图18 系统运行控制示例
5 结论与展望
日本对过冷水动态制冰蓄冷系统的研究迄今已经有将近10年的时间,进行了大量的研究工作,也有在工程实际中应用的例子,但目前这项技术并未完全成熟,还不能够与传统的静态制冰技术相竞争,不能够在工程实际中广泛推广。
目前这顶技术的主要缺陷在于过冷却器内结冰的发生过于频繁,频繁的融冰动作使得系统的可靠性和用能效率下降。另外,水的过冷度较低也限制了制冰速率的提高。解决问题的关键在于对水的过冷却现象的进一步认识和把握。
目前,许多日本公司都将此项技术作为自己拥有的高新技术的代表在展览会上展出,并投入大量人力物力进行进一步的深入研究。我们有理由相信,在不久的将来,这项技术将成为制冰技术的一支新军,从而大大推动冰蓄冷技术的。
6
1.D Kema, I Kondou, Y Shigenaga, K Torikoshi and Y Katayama. Development of a Dynamic-Type Ice Thermal Storage Air C Conditioning System of Individual Control for Building Use.Megostock'97 Proceedings (7th International Conference on Thermal Energy Storge), Volume II, 1997.
2.Heat Pump Technology Centre of Japan, Heat Storage Type Heat Pumps in Japan,1992.
3.公開特許公報,平1-114682,日本国特許庁,1989.
4.公開特許公報,昭63-271074,日本国特許庁,1989.
5.稻葉英男,氷蓄热システムの現状とその新展開,冷凍,1996,71(830):1346.
6.蓄熱式空調システムの計畫,設計マニユアル,日本工業出版,1996.
7.六串俊巳,高橋燦吉,管内流にぉける過冷卻度と氷の成長について.化学工学論文集,1981,7(5):449.
8.斎藤彬夫,宇高義郞,玉木淳,他2名,過冷卻をともなう凝固過程の研究.日本機械学会論文集(B),1987,54(502),1439.
9.斎藤彬夫,宇高義郞,大河









